air outlets | Ventilation Grilles

Sand Trap           ST

Product Overview

Sand Trap Louver is normally used as prefilter for fresh air intake of Air Handling Units (AHU), Package Air Conditioning Units (PACU), Roof Top Fresh Air Units (RTFAU) for Air Conditioning Systems and for Fresh Air Intake in manufacturing plants. It has a high degree of separation of sand and large dust particles even in case of high dust concentrations. The vertically arranged blade sections and holes for sand drainage ensure that the sand trap louver is self cleaning and maintenance free. It is designed to separate large particles of sand and dust from airstream at low velocities, thus avoiding excessive dust loading of conventional filters. It is not intended as a substitute for conventional filters.

Construction

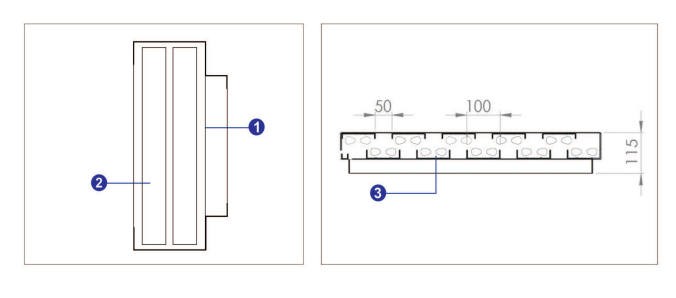
1- Frame

Made from high quality extruded aluminum profiles

with 115 mm depth 1.2 mm.

2-Blade

Made from high quality extruded aluminum profiles

with 100 mm depth 1.2 mm.

3- Drain

20 mm Dia self-drain holes at the bottom of the louver.

Description

  • The frame and blades are of high quality extruded aluminum profiles with 1.2 mm and 1.5 mm thickness
  • Can be manufacture from galvanized steel as option
  • Composed of two sets of inverted u – channels mounted vertically on two opposite rows
  • Drain holes of diameter 20 mm are provided in two rows at the bottom of the Louver for emptying filtered sand and dust
  • Sand trap can be supplied with galvanized iron wire mesh 1.5 mm Thickness as standard with flexibility of supplying
  • Sand trap can be supplied with a removable volume control damper which ensures positive control over the fresh air stream
  • Sand trap can be supplied with easily removable filter with 20 mm Thickness as standard and non standard thicknesses are available as option
  • Designed Te separate sand and dust from the air
  • Aluminum anodized finish or powder coated color finish per RAL color codes and flexibility of finish

Installation

wall

Fixing details;

Air Performance

Performance Data

How to order