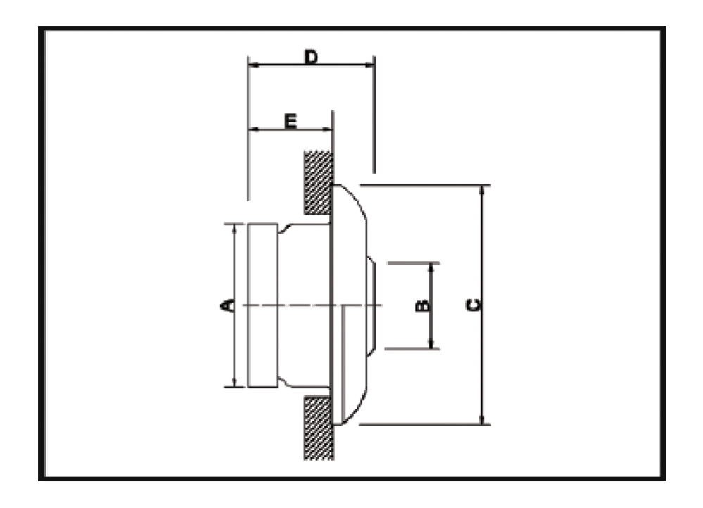
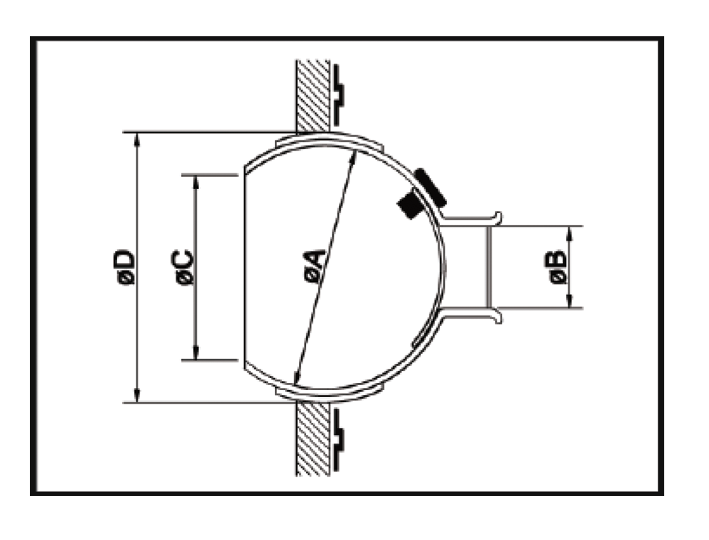
Jet Diffuser JD
Construction
Made from high quality heavy aluminum sheet.
2 – Panel frame
Made from high quality extruded aluminum profile with 30 mm flange width as standard and non standard widths are available as option.
3 – Inner rings
Aluminum spun rings.
Description
- Framed and inner rings are high quality aluminum construction with powder coated color finish.
- Generally designed for wall mounting for ceiling mounting. drill 2 to 4 holes in the face of the flanged border.
- Nozzles can be adjusted 30 upwards and down words to achieve required throw as per site condition. Nozzle jet can be rotated by 360 by adjusting the mounting frame.
- Jet nozzles can be supplied with plenum box. which is manufactured from galvanized steel sheet as option.
- Plenum boxes can be supplied with round damper as option.
- Jet nozzle available from 100 mm diameter to 400 mm as standard and non-standard sizes are available as option.
- Jet nozzle available with 160 mm depth as standard and greater than 160 mm is available for higher throw.
- Powder coated color finish per RAL color codes as standard and flexibility of finish.
Number of Elements
Performance Data
jet diffuser at 0 deflection
- Neck velocity is measured in m/sec.
- Ps: static pressure loss across the diffuser in mm of H2O.
- Throw (meters) is measured for a terminal velocities of 0.25, 0.5 & 0.75 m/sec.
- Noise criteria (NC) based on a room attenuation of 10 db.
- Copyright reserved Specification subject to change without notice.
Performance Data
Jet diffuser at 30 deflection
- Neck velocity is measured in m/sec.
- Ps: static pressure loss across the diffuser in mm of H2O.
- Throw (meters) is measured for a terminal velocities of 0.25, 0.5 & 0.75 m/sec.
- Noise criteria (NC) based on a room attenuation of 10 db.
- Copyright reserved. Specification subject to change without notice.
Jet Nozzle – Ball Jet
- Jet nozzles are developed for large and high area, such as airports, shopping centers, show centers, theaters etc.
- It ensures a long throw (25m) at high outlet velocities.
- The ball can be oriented 30°angle.
- They are used for cooling or heating with the characteristic of orientation.
- Rotated by manual or motor control.
- Material:They are made of aluminum sheet.
- Accessories:Damper (butterfly damper in plastic or steel manual control; radial-shape damper screw control).
- Mounting: Ceiling or wall mounting by screws, or collected into a circular duct.
- Finishing:White powder coating RAL 9016, RAL 9010, or customized color.
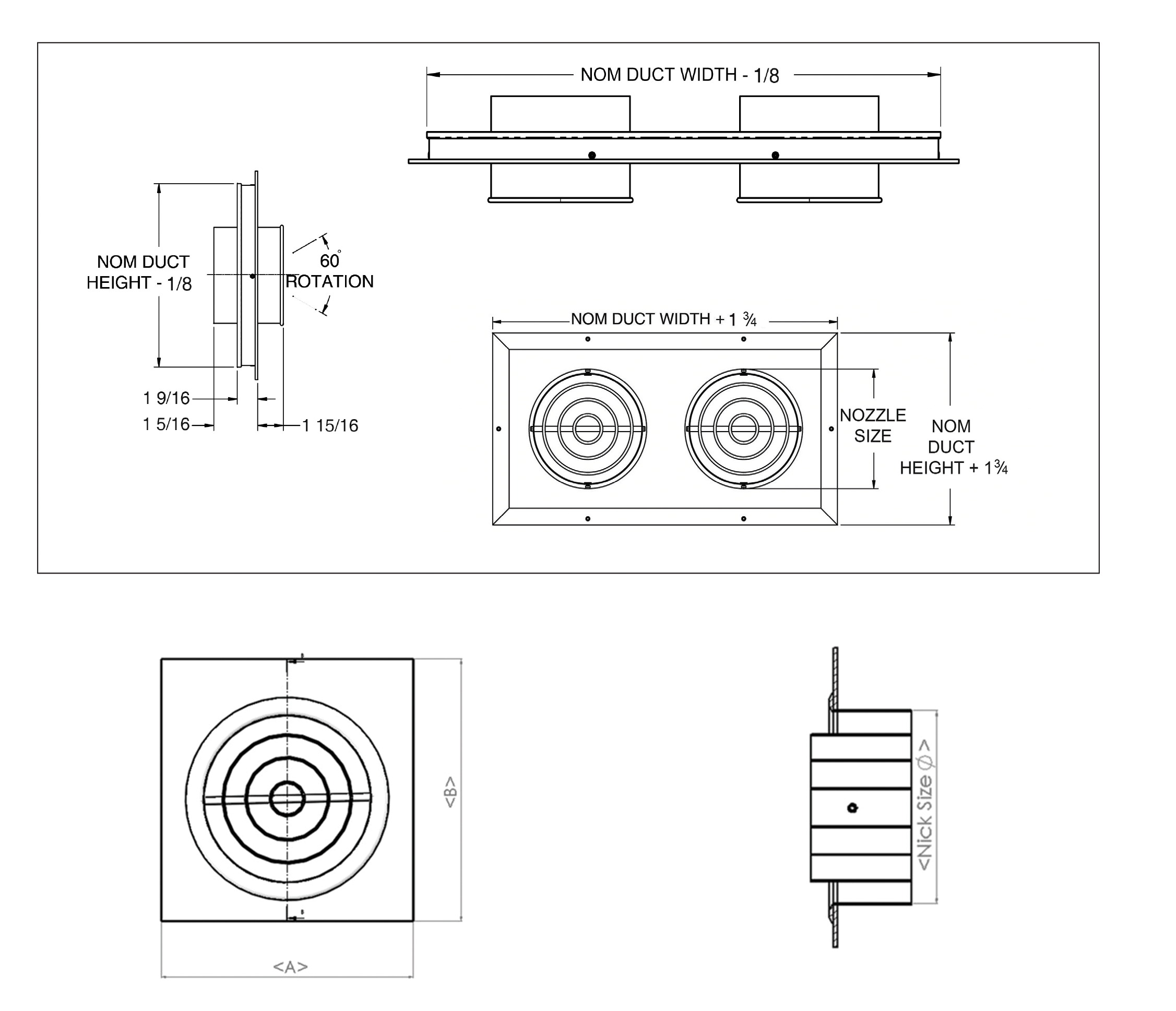
Jet Nozzle Size Data
Jet Nozzle Data
Jet Nozzle Spec. Data (JD-VA)
Data were chosen when the air velocity is 2.5m/s and the velocity at throw distance is 0.25m/s.
Jet Nozzle Spec. Data (JD-VB)
Data were chosen when the air velocity is 2.5m/s and the velocity at throw distance is 0.25m/s.
Drum Jet Diffuser
- Drum jet diffuser is designed to meet the requirements of low pressure drop, quiet operations, long distance throw and good air spread in large areas.
- The air flow direction can be oriented up and down by rotating the cylindrical inner casing in a 60°angle.
- The air flow direction can be oriented left and right by adjusting the blades on the inner casing.
- Material:They are made of aluminum sheet.
- Mounting: wall mounting by screws, or collected into a rectangular or circular duct.
- Finishing: White powder coating Ral9016, Ral9010, or customized color.
How to order
