ALL DUCT LINE

Black Steel
Black Steel Ducting
Description
Black Steel Ducts (MS Ducts) are fabricated from hot rolled or cold rolled black steel sheets with fully welded construction to achieve leak proofing. The high quality mild steel contains 0.16–0.29% carbon being neither brittle nor ductile. In kitchen exhaust MS ducts are largely used owing to its inherently fire resistant characteristic

Mounting Flange Standards

Straight Duct

How to order

Straight Duct with Straight Rectangular Tap


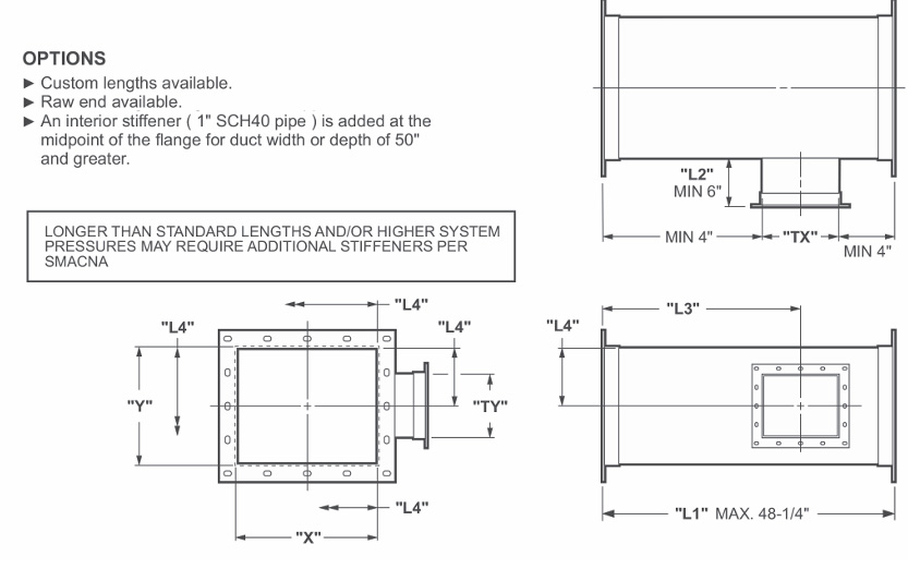
Straight Duct with Rectangular Boot Tap

How to order

Straight Duct with Rectangular Conical Tap

How to order

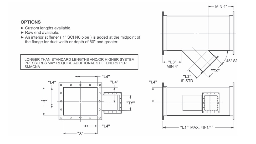
Straight Duct with Rectangular Lateral Tap

How to order

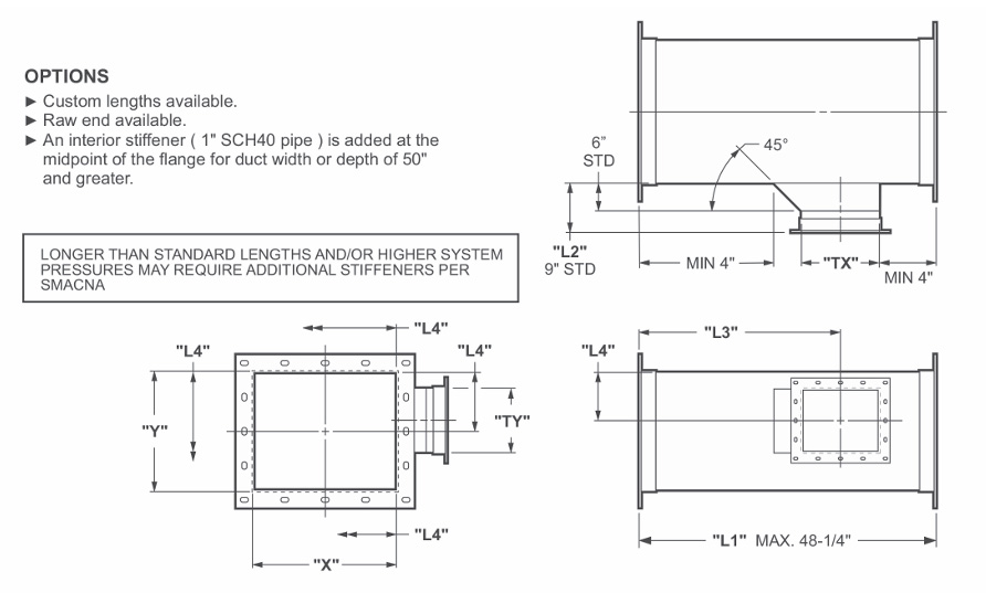
Straight Duct with Round Tap

How to order

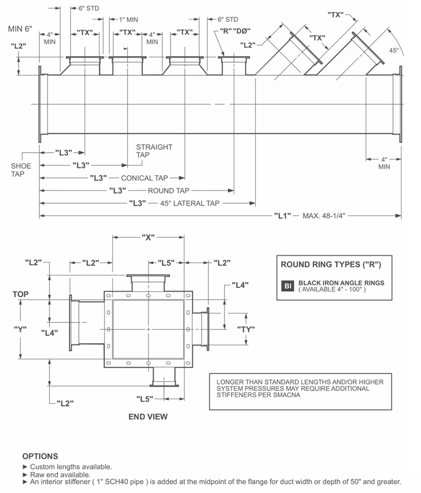
Straight Duct with Multiple Taps

How to order

90 . 60 . 45 . 30 or Custom Elbow

How to order

90 . 60 . 45 . 30 or Custom Mitered Elbow

How to order

Concentric Transition

How to order

Concentric Rectangular Round transition

How to order

Vertical Offiset

How to order

Horizontal offset

How to order

Double Offiset

How to order

End Cap

How to order
